电工基础知识
电路= 电源+元器件+导线+负载
电路中的地线(参考地,零电位参考点),接设备外壳,做公共参考电位,与设备接大地的地线不是一个概念。
通用进制,Mx,kx,无x,mx,ux,nx,px,nx之间的转换率为1000
电压U,单位V伏特
电流I,单位A安培
电阻=电压/电流, I=V/A, 电阻I,单位欧姆
功率=电流*电压, P=UI
直流电DC,电路方向不变化
交流电AC,电路方向周期变化,我国电力系统提供的交流电为50Hz
直流电和交流电是由于不同的电源导致的,一般而言电池为直流电,交流发电机产生的电路为交流电,交流电也可通过设备转换成直流电.
频率=1/周期,频率f,单位Hz
使用交流电是电容器要能承载交流电电压最大值Um和电流最大值Im,m就是max
日常使用交流电电压是电压的有效值,测量方法是找一个直流电通过一个相同的电阻产生的相同的热量,用该直流电的电压值作为交流电电压的有效值
交流电电压的有效值=最大值*0.707(1/√2), 我国交流电220V也是有效值,而不是最大值
相位用来描述正弦波在时间轴上的位置,相位的单位为度(°),两个同频率正弦量相位之差称为相位差,如果相位差为180°,这说明这两个相位是反相的。
三相交流电是由三个频率相同,最大值相等,相位差为120°的单相交流电组成。
三相交流电表现形式:三相三线制,三相四线制,三线位UVW线,或者L1,L2,L3线
三相三线制:U,VW线,任意两条线之间电压为380V
三相四线制:U,VW零线,UVW之间电压为380V,零线与其他线之间电压为220V
生命只有一次,防范于未然,电工相关工作要做好防护措施!
人体电阻


人体的安全电流为10mA以下,所谓24V,36V安全电压只有在环境+人体干燥下,存在足够的电阻,生成的电路小于10mA,才不会对人体造成伤害,迷信安全电压不可取!
10A或15A的短路器无法保护人体触电,选用30mA的漏电保护器(RCD),可以保护人体触电.
电阻能耗产生的热量公式:Q=IxIxRxt, 热量(焦耳)=电流(安培)x电流(安培)x电阻(欧姆)x时间(秒),1焦耳=1瓦/秒,就是1w在1秒内做的功.
电感,电路中的水车,用磁场的形式存储电能,通直流,断交流,电感量表示电感能力的物理量,单位是亨(H),电感存储能量的理想情况为W=0.5xLxIxI,焦耳=0.5x电感值(亨)x电流(安培)x电流(安培)
电容,电路中的充电池,通交流、隔直流,通高频、阻低频,电容两端的电压不能突变,电容的单位为法拉(F),C=Q/U,电容值=存储的电荷量(库存C)/电容器两极电压差(伏特V)
电的危害:电击(做好绝缘),电弧(电压>=10V,电路>=80mA触发灭弧装置,全身防护),爆炸(火花,声浪,全身防护),火灾(绝缘层,检测,电弧保护),跨步电压(高压线落点20米半径内,并脚小步跳),触电急救(绝缘体拔掉电线,确保呼吸,人工急救)
安全防护
导致电危害的因素
1.电工工具绝缘破坏.
2.其他作业导致电线电缆破损,导致电击,短路引起火灾等.
3.雨水,潮湿环境导致电线漏电,绝缘鞋减弱.
4.过载氧化导致过热,软化融化绝缘,导致火灾.
5.特种车辆对电缆作业导致.
6.老鼠对电路的损害.
7.在电气装置易于发热的场所,易燃、易爆物品存放不符合规范,易引发危险
8.未使用木质或玻璃纤维梯架,增加潜在电击风险.
9.电工作业不规范导致,身体接触墙面地板等,导致触电.
10.在大电流线路中使用开关做控制器,或由于其他原因触发电弧,造成火灾.
电工作业防护
思想重视:停一停,想一想,检查一下
作业许可,专业培训,持证上岗,警示牌围栏,危险标识,特定控制器落锁.
个人安全措施,身上卸下导体,穿戴防护设施.
养成好习惯:
1.施工前检查电源是否关闭
2.检查电源开关处是否有上锁或有明显的警告标识.
3.检查灯经常被应用于实际操作中,但最好还是用专业的电工仪表检测电路,以防意外.
4.施工处光源不足,使用头灯或其他有效光源,避免单手操作.
5.使用电工工具前,应检查工具的绝缘性是否良好.
6.电线线头要接入插头再拆入拆孔,避免触电
7.拔插头应拿捏住插头,不要拖拽电线,避免插头断线导致短路.
8.手脚潮湿时应避免接触电线,电气设施.如果是中,高压线路,应等身体干燥后再开始作业.
9.若电线靠近树木,千万不要随意修建树枝.
10.不要直接用电线连接电子等感性负载.
11.在潮湿环境或室外,野外环境进行电气作业时,应使用防水插头(插座),以避免因漏电导致电击.
12.作业工具中如有破损的插头,电线,应立即更换.
13.需要使用梯子或台架进行电气作业,应使用玻璃纤维或木质的,同时应避免梯子或台架压住电线.
14.若施工现场距离较远,且开关无法上锁的,需要专人看护.开启电源需要等远处作业人员确认以后,再开启,避免意外.
15.电气作业时,应避免电线拖地,避免绊倒,电击等.
16.建议使用有开关,漏电和短路防护装置的接线盒.
17.对于相关电气装置设备,派有对应资质的员工进行定期巡视,保养和检修.
用电安全设置
使用熔断器插头,接线顺序为左零右火,上零下火,三孔为左零右火中接地,如果短路了,熔断器会因为电流过大而熔断,让短路的电路断路,保证安全.
断路器,日常用的就是空开,当电流过大时,导致相关器件励磁,使断路器跳闸,从而保护电路.
漏电保护器也是断路器的一种,用来避免大电流对人体和设备的伤害.
安全接地线,三孔插头的地线一定要安装,用来放置漏电对使用人造成伤害.
防止直接触电
隔离,保持在安全距离外,手段有绝缘层,绝缘壳保护,电网栅栏,高台假设电线等,或者用管道井统一包裹密封.
安全的接地线
这里的接地线是为了防止雷击保护建筑的,和电路中的地线不是同一概念.
低阻抗是防雷击,防电击的关键.
如果按严格要求,建筑物需要有防雷接地、电气接地与等电位保护接地三种,并且防雷接地与电气接地不能混用。
大量电气事故是由过大的电位差引起的,可以采用了等电位连接来消除。
标准接地电阻规范要求:
❶独立的防雷保护接地电阻应小于或等于10Ω;
❷独立的安全保护接地电阻应小于或等于4Ω;
❸独立的交流工作接地电阻应小于或等于4Ω;
❹独立的直流工作接地电阻应小于或等于4Ω;❺防静电接地电阻一般要求小于或等于100Ω。
❻共用接地体(联合接地)应不大于接地电阻1Ω。
电气接地



电力供电系统可分为TT、TN与IT三类。
电工基本操作
电工工具
钢丝钳

在使用钢丝钳时应注意:
❶使用钢丝钳之前,必须检查钢丝钳手柄上的绝缘套是否有破损、绝缘套的绝缘状况是否良好。若绝缘套有破损,则不得带电作业,以免发生安全事故。
❷使用钢丝钳剪切带电导线时,必须单根进行,不能同时剪切两根导线,以免导致短路事故。
❸带电操作时,手与钢丝钳的金属部分保持2cm以上的距离。
❹在使用钢丝钳过程中切勿将绝缘手柄损伤。
❺注意防潮。如果钢丝钳上有水或潮湿,切忌带电作业。
❻进行剪切操作时,使钢丝钳的刀口朝向自己,以便控制剪切部位。
❼不要将钢丝钳当锤子使用。
❽为防止生锈,要经常给钢丝钳的钳轴加油.
斜口钳

斜口钳主要用于剪切导线及元器件多余的引线,还常用来代替一般剪刀,剪切绝缘套管、尼龙扎线卡等。
使用钳子要量力而行,不可以用来剪切钢丝、钢丝绳或过粗的铜导线及铁丝,以免导致钳子崩牙和损坏.
尖嘴钳

尖嘴钳又称修口钳、尖头钳,由尖头、刀口和钳柄组成。电工用尖嘴钳的材质一般为45#钢,韧性、硬度都合适。钳柄上套有额定电压500V的绝缘套管。
尖嘴钳的类别比较多,大致可分为有刀口、无刀口两大类.

剥线钳

剥线钳为内线电工、电动机修理、仪器仪表电工常用的工具之
一,专门用于剥除电线头部的表面绝缘层。
❶根据缆线的粗细型号,选择相应的剥线刀口。
❷将准备好的电缆放在剥线钳的刀刃中间,选择好要剥线的长度。
❸握住剥线钳手柄,将电缆夹住,缓缓用力使电缆外表皮慢慢剥落。
❹松开手柄,取出电缆线,这时电缆金属整齐露出,其余绝缘塑料完好无损。
电工刀

电工刀是电工常用的一种切削工具。普通的电工刀由刀片、刀刃、刀把、刀挂等构成。电工刀不用时,应把刀片收缩到刀把内。
导线接头之前应把导线上的绝缘层剥除。用电工刀切剥时,刀口千万别伤着线芯。电工刀的刀刃部分要磨得锋利才好剥离电线,但又不可太锋利,太锋利容易削伤线芯。
活动扳手


活动扳手简称扳手,是用来紧固和拧松螺母的一种工具。可根据实际工作的需要选购相应尺寸的扳手。
试电笔

试电笔俗称电笔,是一种电工工具,用来测试电线中是否带电。
试电笔中笔尖、笔尾由金属材料制成,笔杆由绝缘材料制成。笔体中有一个氖泡,测试时如果氖泡发光,则说明导线有电,或者为通路的火线。
使用试电笔时,一定要用手触及试电笔尾端的金属部分;否则,因带电体、试电笔、人体与大地没有形成回路,试电笔中的氖泡不会发光,容易造成误判,认为带电体不带电。
在使用过程中,不要触及试电笔前端的金属部分。
高工作业装备

导线绝缘层剔除
4mm以下导线绝缘层的剥除

4mm以上塑料绝缘硬线绝缘层的剥除
对于导线线芯在4mm2以上的硬导线,可用电工刀或其他合适的刀具来剥除导线的绝缘层。
❶在需要处理导线的线头合适位置,以适当的角度(约45°)斜切待剥线头的绝缘层。电工刀斜切入绝缘层,至刀口接近线芯止。

❷电工刀切入绝缘层后,适当减小刀与导线之间的角度,略呈水平向线端推削。

❸将开剥段的一部分绝缘层削掉。

❹将余下的绝缘层翻下,将翻下的绝缘层齐根切去。

橡胶套电缆和塑料护套线护套层的剥除
对于有橡胶套电缆或塑料护套的导线,可用电工刀或其他合适的刀具来剥除导线的护套层。
❶用电工刀刀尖从导线的护套层中间的表面划开。

❷使刀尖向导线端口直线划开护套层。

❸将护套层剥离绝缘线,并将其扳至切口根部,用电工刀将护套层齐根切去。

❹在离护套层切口10mm处确定线芯绝缘层的剥除点,然后剥除线芯的绝缘层。

扁平导线护套层的剥除
❶左手拿住待处理导线线头的合适位置。
❷使电工刀的刀口在待处理导线端口,并调整好电工刀的刀口位置,以不会伤及线芯绝缘层为原则。
❸适当用力向内削。

❹继续向内削,削到合适的位置。
❺拉开靠刀一侧的护套层。
❻拉开另一侧的护套层。切除剥开的护套层,然后剥除线芯的绝缘层。

一些电缆的护套之下为金属网状屏蔽层,中间为铜芯。在加工这种导线的线头时,先用刀划开护套层到合适的位置,并切除,然后将网状的金属屏蔽层松散,并拧成线状,最后剥除中间铜芯的绝缘层。

铜导线的连接
在电工作业中,导线连接是一件非常重要的事。若导线连接质量不好,则往往会带来故障隐患。
导线连接要求接头接触紧密,接头电阻小,稳定性好,接头的机械强度不小于导线机械强度的90%;接头的绝缘强度应与导线的绝缘强度一样;接头应能耐腐蚀。铜导线连接后,通常可再对接头进行焊接处理。
单芯铜芯导线
T形连接
❶视导线线芯粗细,先将其中一根导线环剥合适长度的绝缘层,另一根导线剥除合适的线头。使线头十字相交于环剥的导线.

❷线芯较细的,可以不打结,直接缠绕。

❸线芯较粗的,按逆时针方法打结,然后逆时针旋转

❹缠绕5-8圈,减去多余线头,去掉切口毛刺,使缠绕的端头紧贴导线。

单芯铜芯导线
绑扎连接
先剥除导线线头绝缘层,截取一段合适长度的导线线芯,微微弯起两导线的端头,使三根线芯聚在一起。用1.5mm2的裸铜线进行绑扎。先在中间位置绑扎合适的长度(导线直径的10倍),然后再继续缠绕5圈,去除多余线头。

多股铜芯导线对接
❶先将待连接的两根多股导线线头剥除绝缘层。捏住线头根部1/3~1/5处,将余下的线头分散成伞形,并将每一根芯线拉直。

❷将两导线的伞形线头隔根插,使两线头的根部接触。捏平两侧所有的芯线,必要时用钳子拉紧消除空隙。

❸把其中一个多股导线的芯线按2、2、3股分组。把第一组2股芯线扳起,使之与导线线头垂直,并按顺时针方向缠绕两圈,然后将余下的部分扳平,使之紧贴导线。

❹把第二组2股芯线扳起,使之与导线线头垂直,并按顺时针方向缠绕两圈,然后将余下的部分扳平,使之紧贴导线。

❺ 把第三组3股芯线扳起,使之与导线垂直,按顺时针方向缠绕三圈,剪去多余的线芯,使端头紧贴导线。

❻按❸~❺的操作方法缠绕另一侧的导线线头。

多股铜芯导线T形连接
❶将待连接的两个导线分别剥去绝缘层。

❷在分支线的1/8线头处将芯线拧紧,把余下的芯线分成3股、4股的两组。两组的芯线并排,而不是拧在一起。

❸用一字螺丝刀将充当干线的导线中间撬开一缝隙,使之一边3股、一边4股。将分支导线头中的一组4股的芯线穿过干线上的那个缝隙。
❹把3股芯线的一组按顺时针缠绕干线,缠绕4圈,剪去多余的线头,使线端紧贴干线。

❺使穿过干线的一组4股芯线按逆时针方向缠绕干线,缠绕5圈,剪去多余线头,使线端紧贴干线。去掉切口毛刺。接好后的导线如图所示,

不同线径导线对接
先加工好导线的线头,使细导线线头在粗导线线头上紧密缠绕5~6圈后,弯折粗线头端部,使它压在缠绕层上(必要时可用钢丝钳钳紧);再把细线头缠绕3~4圈,剪去余端,使线端紧贴导线。

软硬导线对接
先使软线在单股硬导线上缠绕7~8圈,然后将单股硬导线向后弯曲,使之紧压在缠绕的软线上,以防止缠绕的软线脱落。

单股与多股线T形连接
❶在离多股线的左端绝缘层口3~5mm处的芯线上,把多股芯线分成较均匀的两组。

❷把单股芯线插入多股芯线的两组芯线中间,但单股芯线不可插到底,应使绝缘层切口离多股芯线约3mm的距离。接着用钢丝钳把多股芯线的插缝钳平钳紧。

❸把单股芯线按顺时针方向紧缠在多股芯线上,紧密缠绕10圈;然后剪去多余线头,钳平切口毛刺。

导线的绝缘恢复

导线的固定

室内导线的固定比较简单,这里介绍一下在室外利用绝缘子进行导线固定的一些操作。绝缘子是一种特殊的绝缘控件,能够在架空输电线路中起到重要作用。早年间绝缘子多用于电线杆,慢慢发展成为在高压电线连接塔的一端挂了很多盘状的绝缘体。绝缘子的种类很多,外形也千差万别,可根据实际需要选用。
绝缘子是输电线路绝缘的主体,它用于悬挂导线并使导线与杆塔、大地保持绝缘。这里介绍一些低压绝缘子的绑扎法。铝绞线和钢芯铝绞线的绑扎线材料与导线材料相同,但铝镁合金导线应使用铝绑线,绝缘导线应使用有外皮的铁绑线。

绝缘子几种绑扎方法
绝缘子的侧绑法

直线单绑法:将绝缘子固定好,将导线放在绝缘子的凹槽内。使用一条合适长度的绑扎线。使绑扎线交叉一圈套绑住绝缘子与导线,如❶所示。将绑扎线的两线头分别在导线上缠绕两圈,如❷所示。将绑扎线余下的两线头打结,并使线结贴在绝缘子上,如❸所示

绝缘子顶绑法
❶首先在绑扎处的导线上缠绕铝包带。若是铜线,则不缠绕铝包带。将导线放入绝缘子顶槽,绝缘子顶槽应顺着线路方向。用绑扎线一端在绝缘子侧面的导线上绕三圈,方向是从导线外侧,经导线上方向导线内侧,如右图❶所示。

❷用绑扎线的另一端在绝缘子脖颈内侧绕到绝缘子右侧导线上,并再绑三圈,其方向是由导线下方经外侧绕向上方,如右图❷所示。

❸用绑扎线在绝缘子脖颈内侧绕到绝缘子左侧导线上,并再绑三圈,其方向是由导线下方经内侧绕到导线上方,如右图❸所示

❹再使绑扎线自绝缘子脖颈内侧绕到绝缘子右侧导线上,并再绑三圈,其方向是由导线下方经外侧绕到导线上方,如左图❹所示。

❺使绑扎线自绝缘子外侧绕到左侧导线下面,并自导线内侧上来,经过绝缘子顶部交叉压在导线上,然后从绝缘子右侧导线外侧绕到绝缘子脖颈内侧,并从绝缘子左侧的导线下侧经过导线外侧上来,经绝缘子顶部交叉压在导线上。

蝶式绝缘子终端绑扎
❶在绑扎线一端留出一个短头,长度比绑扎长度多50mm。把绑扎线端头夹在导线与折回导线中间凹进去的地方,然后用绑扎线在导线距
绝缘子3倍腰径处开始绑扎,如下图①所示。
❷用绑扎线两端分别在导线与折回导线上缠绕五圈,然后使导线与折回导线靠紧,用绑扎线缠绕五圈,如下图②、③所示。
❸再用绑扎线的两端分别缠绕导线、折回导线五圈,然后再重复第二步,直到绑扎长度达到150~200mm(见下图④~⑥)。
❹将折回导线末端抬起,然后在导线上缠绕五圈,去除多余绑扎线,折回导线的线头。

电工绳结
在电工作业过程中,常常需要利用绳子进行长期或临时性地绑扎,使用适当的绳结(绳扣)是必要的。绳结形式很多,如直扣、活
扣、抬扣、背扣等,在实际中根据需要选择使用。
打绳结的方法通常比较简单,这里给出几种绳结的示意图,可参照练习。若需其他类型的绳结,可在网上搜索查询。

了解导线
导线由一根或多根的铜质或铝质金属线组成。绝缘导线则在金属导线外包裹绝缘层、护套。导线又常称为“电线”“电缆”。“电
线”和“电缆”并没有严格的界限。通常将芯数少、产品直径小、结构简单的产品称为电线,没有绝缘的称为裸电线,其他的称为电缆。
电线一般是单层绝缘,单芯。电缆一般有两层以上的绝缘,多数是多芯结构。
导体截面积较大的(>6mm2)称为大电线,较小的(≤6mm2)称为小电线,绝缘电线又称为布电线。在不同场合,对所使用的电线要
求也不同。电线的类型很多,可分为室内、室外电线,也可分为低压、中压与高压电线,还可分为绝缘护套电线与裸露电线,在实际中
应根据需要选用。以下所示的是几种不同的电线。

导线的颜色
相线:黄,绿,红,棕色,不能为双色线
零线:蓝色
保护线:黄绿色
导线的大小
导线的大小是针对导线的截面积而言的。导线的截面积以mm2为单位,常称某一导线为“××平方线”
在实际应用中,主要是根据导线的安全载流量来选择导线的截面。导线的截面积越大,允许通过的安全电流就越大。在同样的使用条件下,铜导线比铝导线可以小一号.


加工导线
加工线头
低压电工进行导线加工作业时,首先要做的是剥除电线的绝缘护套层,加工线头。通常可利用电工刀、斜口钳、钢丝钳、剥线钳等工具。


在剥除导线绝缘护套层时,要求切口整齐、不伤及线芯。


加工导线端头
导线线头加工好后,可能需要将导线线头连接到专门的导线端头上。导线端头多种多样,有用螺钉压接的,也有用压线钳压接的。


非螺钉压接的,可用压线钳或钢丝钳钳紧端头的导线套。



导线连接器
导线端头多用于小的导线,对于较大的导线,可采用专门的导线连接器连接。下图所示的就是一些不同的导线连接器的实物图。需注意的是,应使用相同材料的导线连接器来连接导线。如果是连接铜电线与铝电线,应选择铜铝过渡的连接器。

连接导线
以下所示的是几种常见的导线连接方法:
❶加工好导线线头,使两根导线的线头等长度插入连接套管,然后用专门的压接钳钳压连接套管即可。

❷加工好导线线头至合适长度,将导线线头拧在一起,然后将导线端帽拧上,如左图所示。



❻加工好导线线头至合适长度,将导线线头插入接线柱的孔内,拧紧压接螺钉即可,如左图所示。









接线端子排与接线标注
接线端子排是电气工程中的组合接线固定装置。端子排的作用就是将屏内设备和屏外设备的线路相连接,起到电流电压传输的作用。
有了端子排,就会使得接线美观,维护方便,使远距离线之间的连接牢靠,施工和维护方便。
接线端子排分非绝缘端子排、绝缘端子排两大类。下图所示的分别是接线端子排的示意图与实物图。


在接线操作时,最好使用规定的或不同颜色的电线以区分火线(L)、零线(N)与保护线(PE)。至少应保证零线、保护线的颜色与火线颜色不同。
不论熟练与否,在相关电线上做一个标牌,是杜绝布线、接线失误的一个很好的方法。


常用低压电器
开关

开关的种类很多,可根据需要选用。不论什么开关,在电路中不外乎起到断路器或换路器的作用,以下所示的是几个不同开关的实物图。

常闭(NC):一个常闭按键开关在开关没有按下时,相当于通道闭合。
常开(NO):一个常开按键开关在开关没有按下时,相当于通道断开。
一个开关可用刀数、掷数来表述它。
常用字母P表示“刀”,字母T表示“掷”,D表示“双”,S表示“单”。当刀或掷数超过2时,直接使用数字。例如,SPST——单刀单掷;SPDT——单刀双掷;DPST——双刀单掷;DPDT——双刀双掷;DP3T——双刀三掷,等等。以下所示为一些开关的电路图形符号与实物图



常见小型开关:
钮子开关

钮子开关是一种手动控制机械开关,主要用于交直流电源电路的通断控制、设备工作状态切换控制等,具有体积小、操作方便等特点,是
电子设备中常用的开关。
钮子开关的种类很多,以刀数、掷数看,常见的有单刀单掷、单刀双掷、双刀双掷钮子开关。
拨动开关

拨动开关是通过拨动开关柄使电路接通或断开,从而达到切换电路目的的开关。拨动开关常用的品种有单极双位、单极三位、双极双位及
双极三位等,一般用于低压电路,具有滑块动作灵活、性能稳定可靠的特点。
翘板开关

也称船形开关、跷板开关、电源开关,其结构与钮子开关相同,只是把钮柄换成船形。翘板开关常用作电子设备的电源开关,其触点分为
单刀单掷和双刀双掷等几种。
转换开关

又称组合开关。转换开关是刀开关的一种发展,其区别是刀开关操作时上下平面动作,转换开关则是左右旋转平面动作,并且可制成多触
头、多挡位的开关。转换开关多用于非频繁地接通和断开电路,例如小容量笼型电动机的启停、变速、可逆运行等。
刀开关

刀开关又称闸刀开关或隔离开关,是手控电器中最简单且使用较广泛的一种低压电器。
刀开关是带有动触头——闸刀,并通过它与底座上的静触头——刀夹座相契合(或分离),以接通(或分断)电路的一种开关。


刀开关可分为刀形转换开关、开启式负荷开关(胶盖瓷底刀开关)、封闭式负荷开关(铁壳开关)、熔断器式刀开关和组合开关等。有些刀开关还会有灭弧装置。装有灭弧装置的刀开关可以切断电流负荷,其他系列刀开关只作隔离开关使用。在实际中应根据电路实际情况选用。
不过,由于电动机有反电动势,容易导致刀开关产生电弧,如今的电动机控制大多使用接触器,以保证安全。
在日常生活中,最常见的刀开关使用例子就是简单的电动机启动、停止控制,刀开关串接在电动机的输入线路上,如下图所示。

带熔断器的刀开关除控制线路闭合、断开外,还可起到保护作用。
单掷刀开关通常起到闭合、断开控制作用,或者说起到隔离作用。刀开关都有明显的断开间距。在检修电路、设备时,拉下刀开关,可使刀开关出线之后的线路、设备与电源之间断开,以保证检修工作的安全。

为防止刀开关在断开状态时,静触刀由于重力作用而跌落,导致刀开关误闭合,刀开关应垂直安装在绝缘安装板上,且闭合状态下的闸刀手柄应指向上方。不得倒置或平置刀开关,以防刀开关在断开状态下出现误动作而导致人身安全事故。

注意事项
使用刀开关还应注意以下一些方面:
❶安装刀开关时注意刀开关距地面的高度,应在1.3m以上。同时应注意与其他导线(特别是裸露导线)保持一定的安全距离,以方便操
作。
❷用于电源通断控制的刀开关,其进、出接线应按要求连接,进线接在刀开关的上部接线端,出线(负载)则连接刀开关下部的接线端。
❸若连接与刀开关导体不同的其他金属导线,建议使用铜铝过渡的接线端头来处理导线的线头,以防止接触位置发生电化学锈蚀。
❹连接导线至刀开关时,注意操作的力度,避免损伤刀开关的静触头。
❺若用于分断负载电流,尽量使用带灭弧罩的刀开关。为防止电弧灼伤,合闸、拉闸动作要迅速。
❻若刀开关的触刀、触头出现氧化,应及时清除。为防止氧化,可在刀开关的触刀、触头的接触部位涂抹适量的中性凡士林。
按钮开关
按钮开关是利用按钮推动传动机构,使动触头与静触头接通或断开,借以实现切断和接通电路的低压开关电器。
按钮开关的结构种类很多,可分为常开型和常闭型开关;也可分为单刀单掷(SPST)、单刀双掷(SPDT)、双刀单掷(DPST)、双刀双掷
(DPDT)等多种不同开关刀数的开关;还可分为普通揿钮式、蘑菇头式、自锁式、自复位式、旋柄式、带指示灯式、带灯符号式及钥匙式等
开关。


在按钮开关中,如果没有自锁装置,通常被称为瞬时按钮开关。这些开关被用于瞬间接通的场合,如电子设备的复位开关、触
发开关等。
按钮开关的结构


在其他一些书籍中,常开按钮被描述为“动合按钮”,常闭按钮被描述为“动断按钮”。
对于按钮开关的动作过程其实是不难理解的。你仔细观察一下前面按钮开关的结构示意图,想一想,应该会明白的。
这里以常开按钮开关为例来讲解一个动作过程示意图:
❶常开按钮开关;
❷向下按开关按钮,动触头向下位移;
❸继续向下按,动触头接触到静触头,开关通道导通;
❹松开按钮,复位弹簧通过顶起按钮棒,带动动触头与静触头脱离接触,开关通道断开。

选择按钮开关
按钮开关种类很多,应根据不同的场所、所要实现的控制动作来选择使用。常用的按钮用途如下表所示。

明确标示开关,以免误操作
为了标明各个按钮的作用,避免误操作,应选用不同颜色帽的按钮开关。按钮开关的按钮帽通常有红、绿、黄、白、黑、蓝六种颜色,以
示区别。
通常,红色表示停止(关断)、紧急停车;
绿色或黑色表示启动;
黄色、白色与蓝色在不同的设备中所代表的意义可能不同。
安装按钮开关
按钮开关的安装很简单,通常是利用按钮开关自身的弹簧卡进行嵌入式安装,或是利用螺钉、螺母(或其他紧固物件)将按
钮开关固定在相关面板上。

螺母安装
在安装按钮开关时应注意:
紧急按钮、电源控制按钮应安装在明显、方便操作的部位。按钮开关的排列布局应合理,每对功能相对的按钮应安装在一起。按钮开关的接线端之间的间距通常比较小,在连接导线前,最好先套上绝缘套管,如黄蜡套管、绝缘热缩管等


检测按钮开关
按钮开关的检测分外观检测与开关通断检测两个方面。其他常用开关的检测也可参阅本部分内容。
在外观方面,应注意观察开关外观是否良好。开关应没有松动、转换不到位、触头与接线柱发霉氧化等现象。
开关的通断性属于电气方面的特性,通常可利用万用表来检测。如果使用指针式万用表,则可选择万用表的1Ω与1MΩ挡;如果使用数字
万用表,则可选择万用表的最小欧姆挡或短路线检测挡检测导通性,选择大欧姆挡检测断路性。
检测按钮开关的通断

检测开关的绝缘
电工作业中,绝缘检测很重要,应注意开关的绝缘,特别是对用在电源控制方面的开关。通常我们可用万用表的兆欧级电阻挡来检测开关的绝缘性。开关的所有接线端与外壳之间的电阻应趋向于∞。

开关与负载的连接
开关连接到感性负载、灯负载、电动机等时应考虑到开关能承受接通时的浪涌电流、反峰电压。灯负载的浪涌电流通常10倍以上于稳态电
流,电动机负载的浪涌电流通常6倍以上于稳态电流,感性负载则会有反峰电压等问题。

开关连接时应避免以下两种情况
不要在同一个开关上同时连接交流、直流负载。

不要在一个开关的不同通道上连接不同电压的负载,以免因开关接线端之间出现大的电压差而导致意外发生。

开关与负载的保护连接
如果开关所接的负载是感性负载,如电动机、继电器,有必要采用一些开关接线端的保护电路,以延长开关触点寿命、防止开关噪声,抑
制电弧碳化、硝酸腐蚀。同时应注意保护电路是否正确,以免产生不利影响。
RC保护电路=电阻Rs+电容Cs串联+开关
电阻电容电路是简单有效的保护电路。
RC保护电路中的电阻、电容串接在一起。但RC电路与开关电路的连接有两种情况:一是RC保护电路与开关并联;二是RC保护电路与负载并
联。
开关断开时,电容抑制火花放电电流;开关再次闭合时,电阻抑制浪涌电流。在实际应用中,应根据实际情况来选择合适的电阻与电容。
如果开关用于交流切换,应确保电容没有极性,其耐压应在250V以上。
电容容量选择:(0.5~1)μF×开关电流(A)
电阻阻值选择:(0.5~1)Ω×开关电压(V)

二极管保护电路
二极管保护电路仅限于直流电路。
二极管保护电路仅限于直流电路。开关断开后,线圈中储存的能量经由与负载并联的二极管转化为电流,电流流过感性负载的线圈,转化
为热能消耗掉。
需要注意的是,若使用二极管作为保护器件,二极管应能承受大于电路10倍以上的反峰电压,能承受远大于负载正向电流的电流。

压敏电阻法
压敏电阻法常见于电子电路中
压敏电阻法适用于直流与交流电路。应根据电路实际情况选择合适的压敏电阻。当压敏电阻两端的电压高于其击穿电压时,压敏电阻会瞬
时击穿导通,能有效防止尖峰电压引起的电弧等情况。

注意事项
使用保护电路时应注意
不要单独将电容与开关并联。如此连接虽然可以消除开关断开时的电弧,但电容将被充电。当开关再次闭合时,电容的短路电流会导致接
触焊接,或产生火花,引起意外或缩短开关寿命。

注意,也不要单独将电容与负载并联。如此连接虽然可以消除开关断开时的电弧,但当开关再次闭合时,电容将被充电,充电电流会导致
接触焊接,或产生火花,引起意外或缩短开关寿命。
开关的简单应用
几个简单的实际例子:
❶最简单的一个例子是一个单刀单掷开关(SPST)控制一盏电灯。注意,应将火线连接到开关,而不是将零线连接到开关。
❷示例二所示的则是一个生活中常见的两个开关控制一盏电灯的例子(楼梯灯双控开关电路)。其中的开关为两个单刀双掷开关(SPDT)。
❸示例三所示的是利用一个双刀双掷开关来实现电流换向的例子。
当开关掷向上方时,左边的发光二极管工作,右边的不工作;当开关掷向下方时,右边的发光二极管工作,左边的不工作。

熔断器
熔断器中通常有一根金属丝或一条窄的金属条,当电路中的电流超过了它的额定电流时,金属丝或金属条会因本身产生的高热量而熔断,
从而断开电路。
熔断器广泛应用于高低压配电系统和控制系统以及用电设备中,作为短路和过电流的保护器,是应用最普遍的保护器件之一。
对于一般熔断器,其额定电压必须大于或等于线路的额定电压。
根据电压的大小可将熔断器分为高压熔断器、中压熔断器和低压熔断器。通常将1kV以上的电压称为高压,380V~1kV的称为中压,小于
380V的称为低压。

低压熔断器
低压熔断器是低压配电网络和电力拖动系统中主要用作短路保护的电器。熔断器通常由熔体、熔管、熔座、填充物等组成。
熔体是熔断器的核心,常做成丝状、片状或栅状,制作熔体的材料一般有铅锡合金、锌、铜、银等。正常工作时,熔体起导通电路的作
用,在故障情况下熔体将首先熔化,从而切断电路,实现对其他设备的保护。
熔管是熔体的保护外壳,用耐热绝缘材料制成,在熔体熔断时兼有灭弧作用。
熔座是熔断器的底座,作用是固定熔管和外接引线。

熔断器种类很多,常见的有瓷插式熔断器(RC)、螺旋式熔断器(RL)、有填料密封管式熔断器(RT)、无填料密封式熔断器(RM)、
快速式熔断器(RS)、自恢复式熔断器(R Z),等等。
对于熔断器,我们应主要关注如下的一些技术参数。
额定电压:熔断器长期工作所能承受的电压,即安装处线路的额定电压。
额定电流:保证熔断器能长期正常工作的电流。
分断能力:在规定的使用和性能条件下,在规定电压下熔断器能分断的预期分断电流值。
时间-电流特性:在规定的条件下,表征流过熔体的电流与熔体熔断时间的关系曲线。

瓷插式熔断器通常用于220V、380V线路末端或分支电路中,以提供短路保护、高倍过电流保护。
瓷插式熔断器由瓷底座、动触点、熔体、瓷插件与静触点等组成。熔体部分通常是取用合适长度的熔丝,缠绕在瓷插件及其动触点上。

螺旋式熔断器由瓷帽、熔管、瓷套、上接线端、下接线端、底座等组成。螺旋式熔断器多用于低压配电设备、机械设备的电气控制系统,用作短路、过电流保护。

有填料高分断能力熔断器由瓷底座、管体、熔体等组成,应用于低压电气线路中,进行过载和短路保护。熔管为高强度陶瓷管,内装优质石英砂,熔体采用优质材料制成。其主要特点为体积小、重量轻、功耗小、分断能力高、限流特性好。


自恢复式熔断器是一种过流保护器件,通常用于变压器、电池、镇流器等的保护。
在故障短路电流产生的高温下,自恢复式熔断器内的局部液态金属钠迅速汽化而蒸发,阻值剧增,即瞬间呈现高阻状态,从而限制了短路电流。当故障消失后,温度下降,金属钠蒸气冷却并凝结,自动恢复至原来的导电状态。
熔断器的使用注意事项
**熔断器的用法很简单,就是将熔断器与负载串联。**当然,选用熔断器时必须根据负载情况、线路电压电流、使用场合等因素综合考虑。通
常情况下,电动机保护用螺旋式熔断器,照明电路用瓷插式熔断器(熔丝)。
所选熔断器的额定电压须大于或等于电路的额定电压。熔断器内要安装合格的熔体。熔断器的额定电流须大于或等于所装熔体的额定电流。
用于安装使用的熔断器应完整无损。熔断器安装时应保证熔体与夹头、夹头与夹座接触良好。更换熔体或熔管时,必须切断电源。熔体熔
断后,应分析原因并排除故障后,再更换新的熔体。新熔体的规格应与原来的一致。
三相四线制的零线上不能安装熔断器,单相两线制的零线上可安装熔断器。
某些熔断器,如RM10系列熔断器,在切断三次后,必须更换熔管。

高压熔断器
高压熔断器是最早使用的一种比较简单的保护电器。熔断器串接在电路中使用,主要用于线路及电力变压器等电气设备的短路及过载保护。
当电力系统由于过载引起电流超过某一数值、电气设备或线路发生短路事故时,过负荷电流或短路电流通过熔体并发热。熔体在规定的时
间内迅速熔断,切断电源以起到保护设备的作用,保证正常部分免遭短路事故的破坏。
高压熔断器可分为户内高压熔断器与户外高压熔断器两大类。高压熔断器还可分为熔管式、限流式与跌落式等几类。

户内高压熔断器
户内高压熔断器(R N)全部是限流式熔断器,且多为熔管式。
RN奇数系列的熔断器(如RN1、RN3)主要用于3~35kV的电力线路和电气设备的过载和短路保护。RN偶数系列的熔断器专门用于3~35kV
的电压互感器的过载及短路保护。

户外高压熔断器
户外高压熔断器主要是指跌落式高压熔断器,主要用于保护输电线路和配电变压器。
跌落式高压熔断器由固定的支架和活动的熔管组成。
熔管(熔体管)由树脂层卷纸板制成,中间衬以石棉。熔丝两端各压接一段连接用的编织铜绞线,它穿过熔管,用螺钉固定上下两端的动
触头,可动的上触头被熔丝拉紧固定,并被上静触头上“鸭嘴”中的凸撑卡住,熔断器处于“通路”位置。
线路上发生短路时,短路电流使熔丝熔断,形成电弧。熔管内壁在电弧作用下产生大量气体,气体向外喷出,产生强烈的去游离作用,在
电流过零时将电弧熄灭。同时,熔丝熔断以后,熔管上的上触头松脱,由于熔管的自重而从上静触头的“鸭嘴”中滑脱,迅速跌落,使线路断
开。
跌落式高压熔断器由上接线端、上静触头、上动触头、熔管、操作环、下动触头、下静触头、下接线端、绝缘瓷瓶、安装板等组成。

安装使用高压熔断器注意事项
根据实际情况按要求选择合格的熔断器及配件,运行中经常检查熔断器接触是否良好。
安装前检查外观是否完整良好、清洁。如果熔断器遭受过摔落或剧烈震动后,则应检查其电阻值。
户外熔断器应安装在离地面垂直距离不小于4m的横担或构架上。
安装时将熔体拉紧,注意熔断器上所标明的撞击器方向,锁紧底座上的弹簧卡圈及螺栓等。
不可将熔断后的熔体连接起来再继续使用。更换熔断器的熔管时,一般应在不带电情况下进行。若需带电更换,则应使用绝缘工具。
操作时应小心,拉、合熔断器时不要用力过猛。
拉闸时:先中相,再背风边相,最后迎风边相。合闸时:先迎风边相,再背风边相,最后中相。
断路器
断路器概述
低压熔断器的使用越来越少,似乎大家都更加愿意使用低压断路器来替代低压熔断器。这主要是由于熔断器的熔体熔断后必须更换。发生
一相熔断时,对三相电动机将导致两相运转的不良后果。
就基本功能而言,断路器与熔断器都用来切断电路,保护线路、设备。但熔断器与断路器的工作原理不一样。熔断器是利用电流的热效应
工作的,当电流超过定值时,熔断器里的熔体发热,将熔体熔断,达到分断电路的目的。
断路器多种多样,工作原理会有所差异,但是一般都是由于电流过大,导致相关器件励磁,使断路器跳闸。
与熔断器不同的是,断路器因线路故障断开后,可以手动复位,不必更换元件,除非切断大短路电流后需要维修。

当线路中出现短路或其他故障,引起电流迅速增大时,将导致接触臂的磁场强度大增。两个强力的反向磁场迫使接触臂分开,形成断路间隔,从而分断了电路。

从前一页的图中我们可以看到,断路器有1P、2P的区分,其中的P”指的是断路器提供的接线段(通道)。除以上所述外,断路器还
有3P、4P等类型。
1P为单极断路器,具备基本的热磁脱扣功能,通常用于单相两线制回路,只控制火线。
1P+N是在1P断路器控制火线的基础上增加了对零线的控制(N线)。但是只对火线具有热磁脱扣功能,零线(N线)没有保护功能,
仅随火线同时切断。
2P为单相2极断路器,同时控制线路中的火线和零线,与1P+N断路器不同的是,2P断路器对火线和零线都具有热磁脱扣的保护功能。一般
来说,住宅线路建议选用1P+N或2P的断路器。
需注意的是,断路器的种类很多。断路器分热磁断路器、电磁断路器。有些断路器只提供短路保护,不提供过载、欠电压保护,应根据实际需求选择合适功能的断路器。
在供电波动不够稳定的场合,如果断路器具有欠电压保护功能,可能会导致经常跳闸,因此不宜选用带欠电压保护功能的断路器。若选用
具有欠电压保护功能的断路器,其额定电压应等于被保护线路的正常工作电压。
所选用的断路器的额定电压应等于或大于线路的正常工作电压,其额定电流应不小于负载电流。断路器的极限分断能力应大于线路的最大
短路电流,否则,可能烧毁断路器。通常,单极断路器用于分支线路保护;双极断路器用于照明线路或单相动力负载;三极断路器用于三相负
载。
在安装断路器前,手动操作几次,检查机械动作是否灵活,用万用表检查合、分是否可靠,检查断路器接线端与外壳之
间的绝缘是否良好。
注意安装方向,应将断路器垂直安装在配电板上或配电箱内。
注意导线与断路器接线端的连接质量。如果接线端处有较长的裸露导线,应使用绝缘电胶布或绝缘导管进行绝缘恢复。

断路器的电路连接
与熔断器一样,断路器同样是串接在电路中。
下图所示的是断路器一个最简单的应用示例:断路器与两相电动机串联。断路器闭合时,电动机工作;断路器断开时,电动机停止。在这
里,断路器既可充当保护装置,利用操作柄手动操作时,断路器又可充当控制装置。

正如前面所说,在选用断路器时应注意电路的实际情况。若断路器仅有短路保护功能,则应根据需要在线路上加装其他保护器件,如下面
示例中的过载继电器。

在一个多负载的配电系统中,通常有必要考虑在主干线路、分支线路上使用不同的断路器,以避免因一个负载故障而导
致整个系统不能工作。
下页中上图所示的电路图与实物连接图就是多个不同断路器协调应用的例子。
在这样的系统中,分支电路上的断路器应根据所接负载的情况选择,主干断路器的额定电流则应等于或大于所有分支电路可能电流的总
和。


断路器测试
必须在断路器脱离电源的情况下进行
断路器的操作杆向上时,万用表的两个表笔分别接断路器的两个接线端,电阻读数应很小(接近零)。

测断路器的绝缘性:
万用表设置在最大电阻挡,其一个表笔接断路器的任意一个接线端,另一个表笔接断路器的外壳,测得的电阻应趋向于∞。

漏电保护器
熔断器和断路器用来保护电器,漏电保护器用来保护人!
漏电保护器分电磁式与电子式
在电磁式漏电保护器中,检测单元输出的电流通过激励电磁脱扣器动作,使触点机构脱扣,断开电源。
在电子式漏电保护器中,检测单元输出的信号被送到信号处理与驱动单元。在不同的漏电保护器中,这个单元的具体组成可能不同。信号
处理与驱动单元会根据检测单元输出信号的情况,来决定是否输出驱动控制信号。驱动控制信号控制断路执行机构(例如继电器)断开通路,
借以实现漏电保护的功能。

漏电保护器的电路连接

漏电保护器(RCD)的电路连接与断路器类似,都是串接在电路中,但它们又有区别。这里通过几个简单的图来说明:RCD所保护的线
路、设备的零线必须接入漏电保护器。

下面两种接法会导致穿过铁芯的两个电流的方向一致,导致漏电保护器动作,电路(负载)不能正常工作。

在使用漏电保护器时,应严格区分零线(N,工作中性线)与接地线(PE)。在接线时,所有的火线、零线必须接入漏电保护器(穿过铁
芯);而所有的接地线不能接入漏电保护器(不能穿过铁芯)。
漏电保护器适于电源中性点直接接地的配电系统,例如TN-C系统、TN-S系统、TN-C-S系统、TT系统。对于电源中性点不接地的系统,例如
IT系统,不宜使用漏电保护器。
漏电保护器应严格区分工作零线、接地线,漏电保护器不能接接地线。



继电器
继电器的核心精髓小量控制大量、安全隔离。
继电器被定义为:当输入量(激励量)的变化达到规定要求时,在电气输出电路中使被控量发生预定的阶跃变化的一种电器。这个输入量
就是上文提到的外部信号。
继电器有很多种,按其工作原理或结构特征分类,继电器可分为电磁继电器、温度继电器、时间继电器、固定继电器、速度继电器、热继
电器等。
继电器的触点有三种基本形式:
设备未加电时,动合型(常开、H型)的触点是断开的。
设备未加电时,动断型(常闭、D型)的触点是闭合的。
转换型(Z型)的触点是组合型,同时具有常开触点、常闭触点。
在达到一定控制条件时,常开触点闭合,常闭触点断开,因此称其为转换型。

电磁继电器
电磁继电器通常由铁芯、线圈、弹簧、触点簧片、衔铁等组成。
下图所示的是一个简单的仅有一组常开触点的继电器的结构示意图。

在待机状态下,线圈没有输入,继电器保持为常开状态,触点之间不能形成通路。

当线圈断电后,电磁的吸力也随之消失,衔铁就会在弹簧拉力的作用下返回原来的位置。继电器这样吸合、释放,从而达到了在电路中导
通、切断的目的。
继电器触点回路与线圈回路之间是绝缘的
电磁继电器的线圈与触点分属不同的电源通道,且它们之间是绝缘的。而且,线圈电流小,属于控制部分(又称输入回路);触点电流
大,属于被控部分(又称输出回路)。

小量控制大量、安全隔离
下面两幅图展示了继电器如何控制负载的工作,请参阅前面的相关内容阅读理解。

控制开关K断开,继电器触点断开,电动机没有闭合回路,电动机不工作。

控制开关K闭合,铁芯变为电磁铁,继电器触点闭合,电动机有闭合回路,电动机工作。
转换型继电器
触点闭合、断开示意图
下面两个示意图则展示了转换型继电器的常闭触点、常开触点在控制状态下的触点闭合、断开转换。

继电器符号
电磁继电器可分为交流型与直流型两大类,它们都有多种不同的电压等级,例如12V、24V、36V、220V、380V等。按触点数量区分,可分
为单触点与多触点型,其中单触点型又包括常开(动合)、常闭(动断)两类。

在实际的电路图纸中,继电器的触点可能都画在一起,这对于初学者而言读图会方便一些。
但继电器的触点也可能分散画在各自的控制单元。对于这样的电路图,需要注意继电器的标注。
下图所示的是同一个厂家、不同极点的继电器实物图及其电路图形符号,请仔细观察一下。

除前面所示的继电器的电路图形符号外,在一些电路图中,也可能见到下面所示类型的继电器的电路图形符号,其他一些多极点的继电器
电路图形符号也与之相似。需注意的是,舌簧继电器、固态继电器与电磁继电器、热继电器等不同,它们只能是SPST开关。






识别继电器的引脚
通常,继电器上有明显的标志指明继电器的引脚连接,例如示例图中所示的两个继电器。


需注意的是,同一种继电器可能既有交流型的,也有直流型的,且它们的引脚排列也可能相同,在使用继电器时应
注意。如果将直流型的继电器安装到交流继电器的位置,由于控制电流方向在不断变化,则会导致继电器触点簧片来回抖动。
如果继电器是好的,则用万用表的电阻挡也能检测出继电器的线圈引脚(余下的当然就是继电器的触点引脚)。
这里讲的电磁继电器属于机械继电器,有直流或交流线圈。直流继电器的额定驱动电压通常为6V、12V、24V,相应线圈的电阻通常为
40Ω、160Ω、650Ω。交流继电器的额定驱动电压通常为110V、240V,相应线圈的电阻为3400Ω、13600Ω。
由上述内容可知,利用万用表检测两个引脚之间的电阻,即可找到继电器的线圈引脚。
继电器的使用与检测
继电器的种类很多,其外形差异也很大,通常可将继电器直接焊接在电路板上,也可将继电器安装在专门的继电器插座上。某些继电器可能有安装方向的要求,对于这样的继电器,一定要按规定方向安装。所选用的继电器的额定电压、电流一定要符合实际电路的要求,否则可能烧毁继电器。
可利用万用表来检测继电器是否良好。检测包括两个方面:一个是检查继电器的线圈是否良好,另一个是检查继电器的触点是
否良好。
检查线圈:万用表的红、黑表笔分别接继电器线圈的两个触点,看线圈电阻是否正常。若比正常阻值大很多,或小很多,则说明继电器不
正常,需更换继电器。


继电器与负载的连接
继电器连接到感性负载、灯负载、电动机等时应考虑到继电器能承受接通时的浪涌电流、反峰电压。
灯负载的浪涌电流通常10倍以上于稳态电流,电动机负载的浪涌电流通常6倍以上于稳态电流,感性负载则会有反峰电压等问题。
在进行继电器(特别是使用多刀多掷的继电器)与负载的连接时,可以在一个继电器上连接同一个负载的电线,但最好不要在一个继电器
上连接两个或多个大容量的负载,否则可能会影响继电器的绝缘性与寿命。如果非要连接两个或多个负载,则应将负载连接到同一侧,而不要
连接到继电器的不同端侧。

不要在同一个继电器上同时连接交流、直流负载。

不要在继电器的不同通道上连接电压差别很大的负载,以免触点接线端之间出现大的电压差而导致意外发生。

继电器与负载的保护连接
继电器从实质上讲是一个受控开关,它与负载连接时类似于之前所讲的负载与开关,因此很有必要考虑继电器与负载的保护连接。
如果负载呈阻性,则继电器与负载的连接问题不大;如果负载呈感性,在连接继电器与负载时,就必须考虑感性负载在回路通、断瞬间所
呈现出的浪涌电流、反峰电压等问题。
电工电路中的大多数负载都呈感性。为防止浪涌电流、反峰电压对电路、电器造成损害,需在继电器触点与负载的连接之间添加保护电路。
热继电器

热继电器又被称为热过载继电器(Thermal Overload Relays)。热继电器主要用于电动机的过载与断相保护。
根据动作触发方式的不同,热继电器有双金属片式、热敏电阻式和易熔合金式三种,但最常见的是双金属片式热继电器。
双金属片式热继电器通常包含热元件、双金属片、脱扣机构、触点、复位与调整装置等。
在电路图中,热继电器通常用字母“FR”表示,右图所示为其电路图形符号。


热继电器工作原理
常见的热继电器为双金属片式。下图所示的是一个实际的热继电器内部实物图,从中我们可以看到热元件、双金属片等部件。
双金属片也称热双金属片。双金属片由主动层金属片(锰镍铜合金、镍铬铁合金、镍锰铁合金和镍)、被动层金属片(镍铁合金)组
成。
双金属片的主动层、被动层金属的热膨胀系数不同,当温度变化时,主动层的形变要大于被动层的形变,从而导致双金属片的整体向被
动层一侧弯曲。

双金属片式热继电器的型号很多,外观差异也很大,但它们的原理都是一样的。
热元件紧靠或缠绕在双金属片上。热元件与负载串接,负载电流流过热元件。正常情况下的负载电流虽然也会导致热元件发热,但不足以
使双金属片发生形变。如果负载异常,导致流过热元件的电流增大很多,就会导致热元件迅速升温,双金属片随之发生形变,带动热继电器
内的脱扣机构动作,使热继电器的触点断开(或闭合)。下面两个图可简单说明热继电器的工作机理。


热继电器的电路连接
如果你认为热继电器可以直接保护电动机,那就错了!
热继电器通常需要与接触器配合使用,以实现对电动机过载、断相的自动保护。

检测热继电器
检测热继电器比较简单,主要是检查热继电器的常闭、常开触点,如图所示。热继电器的常闭触点间电阻应很小(接近零),常开触点间
电阻应很大(趋向于无穷大);否则,说明热继电器不良或损坏。

热继电器的选择与使用
热继电器主要用于保护电动机的过载,因此选用热继电器前应对所要保护的电动机的情况有所了解,例如电动机的启动电流、额定电流
等。热继电器的额定电流应大于电动机的额定电流。
热继电器内热元件的额定电流应略大于电动机的额定电流。原则上应使热继电器在电动机短时过载和启动的瞬间不受影响(不动作)。
应根据被保护电动机的额定电流来选择热继电器的额定电流等级。
如果相应电流等级内热继电器不完全符合要求,则可尝试通过热继电器上的调节装置做适当的调整,以期使热继电器满足需要。
对工作于正反转和通断频繁等特殊情况下的电动机,不宜采用热继电器作为过载保护装置。
若电源电压稳定性差,或电动机的工作环境差,或很少有人看管的电动机,建议选择具有断相保护功能的热继电器。
需注意的是,热继电器的过载保护、断相保护作用只有在与接触器等其他控制电器配合使用时才能显现。
热继电器与其他电器安装在一起时,应将其安装在发热电器的下方,距离应在50mm以上,以免影响热继电器的动作特性。热继电器的安
装方向应按产品说明书的规定进行,以确保热继电器在使用时的动作能一致。
环境温度对热继电器动作的快慢影响较大。若电动机与热继电器分设两处,则它们的环境温度不能相差太大。对没有温度补偿的热继电
器,应在热继电器和电动机两者环境温度差异不大的地方使用。
应按规定使用热继电器的连接导线,否则将影响热继电器的动作特性。
安装时,热继电器的接线端与导线连接应紧密;否则,接触电阻增大,将导致热元件温度升高,热继电器无动作。
时间继电器

时间继电器也是继电器的一种。给时间继电器加载(或去除)输入的动作信号后,只有经过规定(或设置)的时间,时间继电器的触点才产生动作。它是一种延时控制的器件。简单而言,可将时间继电器理解为由定时器控制的开关:定时时间到时,开关触点断开(或闭合)。
时间继电器通常用在较低电压或较小电流的电路中,用来控制较高电压或较大电流的电气元件。它的种类很多,有空气阻尼型、电动型和电子型等。右图所示的就是一个空气阻尼型时间继电器的内部组成实物图。

时间继电器它可以分为通电延时继电器、断电延时继电器。
通电延时继电器的工作简述如下。
给线圈通电,一段时间延时后,常闭触点断开,常开触点闭合。
断开线圈输入,常闭触点立即恢复闭合,常开触点立即恢复断开。
断电延时继电器的工作简述如下。
给线圈通电,延时常闭触点立即断开,延时常开触点立即闭合。
断开线圈输入,一段时间延时后,常闭触点闭合,常开触点断开。
在电路图中,时间继电器通常采用如下的电路图形符号:








速度继电器

在自动控制中,有时需要在笼式电动机的转速降到很低时立即切断电流,以防止电动机反向启动。这种控制动作就需要速度继电器来完
成。速度继电器(转速继电器)主要由转子、定子及触点等组成。不同的速度继电器组成可能有所不同,但大都相似。

速度继电器的转子旋转→产生旋转磁场→定子导条感应产生交变电流→定子导条内的交变电流致使定子产生交变磁场→定子磁场与转子磁场相互作用,使定子转动。定子带动摆杆转动。而返回杠杆则限制摆杆(定子)只能在所限定的范围内转动(参见上面的结构示意图)。转动的摆杆通过推杆使常闭触点断开,使常开触点闭合。


变压器
变压器的本质是用初级烧组电生磁,通过中间主磁通确保磁场利用效率,在次级烧组将磁转换成电,设置与初级烧组不同的线圈数来实现升降电压。
变压器(Transformer)是一种利用线圈互感的电磁感应原理制成的,用于电能转换或信号传输的电器设备,它可以把一种电压、电流的交流电能转换成相同频率的另一种电压、电流的交流电能。
变压器的应用非常广泛,种类很多。变压器可分为电源变压器、音频变压器、中频变压器、射频变压器、电力变压器等。下图所示的是两个电器设备中的电源变压器,以及两个用于电力传输的高压变压器。


变压器是由闭合铁芯和绕在铁芯上的两个线圈组成的。右图所示的是一个变压器的基本结构示意图。
一个线圈连接电源,叫初级绕组,为输入端;另一个线圈与负载连接,叫次级绕组,为输出端。

次级烧组线圈数 = 初级烧组, 产出相同的电压
次级烧组线圈数 > 初级烧组, 产出更大的电压, 为倍数时产生倍数电压
次级烧组线圈数 < 初级烧组, 产出更小的电压, 按比例缩小电压
变压器的参数
一般来说,我们要注意变压器的两个重要参数:电压比与额定功率。
变压器输入端、输出端的电压之比被称为电压比(K)。变压器的变压比与变压器的初级、次级绕组的匝数相关,有:
K=u1/u2=N1/N2
此关系不仅适用于初级、次级只有一个绕组的情况,而且适于多个绕组的情况。
对于变压器,其输入功率P1近似等于输出功率P2。因P=uI,有u1I1=u2I2 , 由 电 压 比 公 式 可 推 出 变 压 器 初 级 、 次 级 电 流 关 系 :
I1/I2=N2/N1。
变压器工作时,初级绕组与次级绕组中的电流跟它们的匝数成反比。在变压器中,绕组匝数多的,其两端电压高,但绕组的电流小,可
用较细的导线绕制;绕组匝数少的,其两端的电压低,但绕组电流大,应用较粗的导线绕制。
额定功率是指在规定的工作频率与电压下,变压器能长期工作却不超过规定温升的输出功率。若选用的额定功率过小,则变压器很容易被
烧毁。
变压器的种类

它是发电厂和变电所的主要设备之一,用来提供运输电力需要的升压降压.
电源变压器
电源变压器的主要用途是升压或降压,家用一般为降压.

检测变压器
通常可利用万用表来检测变压器(电阻法)。在检测时,选择万用表较小的电阻挡。
常用的电源变压器多是降压变压器,其初级绕组的电阻通常比次级绕组电阻大。利用这个特性可粗略地检查变压器是否损坏,也可利用这
个特性区分变压器的初级与次级。
电源变压器的初级绕组电阻可能在几百欧姆至几千欧姆之间,次级绕组电阻可能在十几欧姆至百欧姆之间,实际中不同的变压器其参数值
不同。

调节万用表为最大电阻挡,用万用表的红、黑表笔分别接变压器的绕组引脚、变压器的铁芯,此时电阻应很大(趋向于无穷大);否则,
说明变压器绝缘破坏,不能使用。
家庭用电线路
基本概念
一般民居用电通常为三种用电线路:照明线路、一般插座线路、大功率插座线路。为了避免在日常生活中三种线路互相影响,常将这三种线路分开
安装布线,并根据需要来选择相应的断路器(参见下图)。

住宅楼配电
通常来讲,居民用电都是220V,其进户线来自专门的配电箱,例如住宅楼的楼层配电箱。
在修建住宅楼时,通常需要进行住宅楼配电方案设计。基于本书的目的,这里仅对住宅楼配电方案设计做一个简单的介绍。
一般住宅楼采用分级配电方式,下图所示的就是一个典型的三级配电方式。住宅楼有一个总配电箱,各楼层、各住户都有相应的配电
箱。
住宅楼配电方案图例说明❶
一个典型的三级配电方式


图❷说明
总配电箱通常设有总计量装置(三相四线制电能表)与总保护装置。楼层配电箱通常配楼层单元保护与分支保护装置。如今住宅楼中各住户的计量装置常安置在楼层配电箱中,以方便管理。住户配电箱通常设断路器等保护装置。
整个住宅楼的配电方案为二级计量、三级保护。总配电箱内保护装置的额定电流须大于所有楼层保护装置额定电流的总和,楼层保护装置的额定电流则应大于楼层住户保护装置额定电流的总和。
住户的保护动作值最小。三级保护避免住户之间、楼层之间因故障而相互影响,避免越级跳闸,减小停电范围。
需注意的是,住宅楼的总进线通常为三相四线制。在进行配电设计时,应注意均衡负荷。例如,一住宅楼为17层,每层6户,则1~5层
与公共用电由W相供电,6~11层由U相供电,12~17层由V相供电。
中性线必须重复接地.有一点非常重要,引入三相四线制供电后,经住宅楼的总配电箱,中性线须重复接地,并从总配电箱开始将工作零线
(N)与保护线(PE)分开。

家庭用电负荷计算
从前面的内容中我们可以看到,在选用电能表、断路器、漏电保护器等时都需要考虑器件的额定电流。因此,在实施家庭用电安装
前,需要对用电负荷做必要的计算,以使电路不出现意外,保护装置不出现错误动作。
住宅用电负荷与各分支线路负荷紧密相关。线路负荷的类型不同,其负荷电流的计算方法也不同。线路负荷一般分为纯电阻性负荷
和感性负荷两类。
纯电阻性负荷如白炽灯、电热器等,其电流可按下面的公式计算。例如,一只额定电压为220V、功率为1000W的电炉,其电流约为
4.55A。

感性负荷如荧光灯、电视机、洗衣机、风扇、电吹风等,其负荷电流可按下面的公式计算。其中的功率因数通常可取值0.6或0.7。

需注意的是,总负荷电流不等于所有用电设备额定电流之和,而是要考虑这些用电设备的同时用电率。通常,总负荷电流可使用下面
的公式来计算:
总负荷电流=一用电量最大的电器的额定电流+其余用电设备的额定电流之和×同时用电率。
同时用电率可取值0.5~0.8。电器多,则取值小;反之,则取值大。
家用电器按照功率一般可分为三个档次:
第一档次为小功率电器,如电视机、电冰箱、洗衣机、电扇、排风扇、抽油烟机、组合音响、照明灯具等。这类电器的负荷为300~
700W。
第二档次为中功率电器,如电吹风、微波炉、电饭锅、电熨斗、电烤箱、电热毯、吸尘器、电暖器等。这类电器一般的负荷为700~
1200W。
第三档次为大功率电器,如空调机、电热水器、电磁炉、暖风机、浴霸等,负荷一般为1200~2500W。
计算家庭用电负荷时,应充分了解住户的用电(电器)需求,可以将几个经常同时使用的电器的最大功率加起来。在实际中,应根据
电器不同的用途,合理地考虑电器分布情况(不宜将多个大功率电器集中在某处)。
根据分支负荷的实际情况选择合适的开关、保护装置等(如厨房、卫生间支路的开关最好大些)。
根据不同的需要,对住户配电箱进行相应的调整和布局,空调、照明、厨房和卫生间的电源插座应该分别设置独立的回路,使配电箱的使用更合理、更安全,最终达到安全用电的目的。
导线的选择
如今家庭装修中的电缆通常是暗敷的,一定要选择合适的电缆,不然出问题就麻烦了。
一般民居入户的电源通常是单相220V。导线均应采用耐压500V的绝缘电线。用于布线的,采用单股铜导线。耐压250V的聚氯乙烯塑料
绝缘软电线(俗称胶质线或花线),只能用作吊灯用导线,不能用于布线。根据住户用电负荷的不同,电缆可有两种选择:
❶主干线可选择6mm2或10mm2线,照明用2.5mm2线,插座用4mm2线,空调、电热水器等用6mm2专线。
❷主干线可选择4mm2或6mm2线,照明用1.5mm2线,插座用2.5mm2线,空调、电热水器等用4mm2专线。
应采购不同颜色的电缆,以便于区分相线(L)、零线(N)和保护线(PE)。对于220V单相电源,通常红色电缆用于相线,黄绿双色
电缆用于保护线(接地线),淡蓝色或白色用于工作零线。
对于三相电源,则分别用红、黄、绿色电缆用于相线,淡蓝色用于零线。

电线每卷的长度是100m,正负误差为0.5m;家庭装修中的常用电线型号为BV、BVR、BVV、BVVR,一般可选用BV线;电线常用规格为
1.5mm2、2.5mm2、4mm2、6mm2、10mm2等。
选购时应选择知名品牌,不要只看合格证,要看电线铜芯的横截面:
正规产品的紫红铜芯颜色光亮、光彩柔和,铜芯黄中偏红,导线较软。
若铜芯黄中发白,且导线较硬,则导线应是低质铜材,属于次品。
伪劣电线绝缘层看上去好像很厚实,其实大多是用再生塑料制成的。取电缆的电线头,用手反复弯曲,凡是手感柔软、塑料或橡胶弹
性大,且电线绝缘体上无龟裂、无严重折痕、无粉末掉落的就是优等品。
注意导线截面线径,截面线径误差不能超过0.02%。小心别买到假的,例如标明截面为2.5mm2的线,实际上仅有2.0mm2。

若线芯出现偏心现象,在使用时假如功率小可能没有问题,一旦用电量大,绝缘层较薄一面很可能会被电击。
电路图形符号






入户配电箱
有必要再简单回顾一下家庭用电户的入户配电箱。一般而言,入户配电箱的配置不外乎两种情况,如下图所示:❶所有的用电线路都采
取漏电保护措施;❷仅部分线路采取漏电保护措施。除电灯线路外,其他所有电器、插座都应使用保护线。

插座电路
插座安装位置
用电户通常是少不了插座的,对于家庭用电户来说,插座的安装位置是首先需要考虑的,特别是非固定电器用插座,它影响着日常电
器(如电吹风、充电器)的使用方便性。
可简单地用右图来说明插座的安装高度,至于插座的空间位置,应视用户的生活习惯、房间与家具电器安装情况而定。


如果插座用于放置在案台上的电器,应注意插座与案台之间有合适的距离,以便于拔、插电器的插头。


布线接线时应注意:

选用插座
国内电器插头、插座通常是扁平的两位或三位,如右图所示。在实际中,选用插座时还应根据用户使用电器的情况而定。

用电户的电器可能有其他类型的插头,如右图所示。若电器使用位置固定,则应选用相应的插座;若电器使用位置不固定,则应根据用电户的需求来选用插座。


插座线路
插座线路是最简单的线路。配电箱内漏电保护器输出端引出的火线、零线与保护线直接连接到插座即可,如图所示。

插座接线要遵循“左零右火,上保护”的原则。不要将插座的保护孔位置于下方。连接漏电保护器的火线、零线时应注意,不能将进线端、出线端接错。


人体容易接触的电器所使用的插座线路一定要采取漏电保护措施。

需注意的是,空调、电热水器等大功率电器最好用专线插座。一般的插座线路使用2.5mm2的铜导线,空调、热水器线路则视功率的大小选用4mm2或6mm2的铜导线。一般的插座线路可使用20A的断路器,空调、热水器等线路上通常可用20A或25A的断路器。电热水器等浴室电器线路上必须有30mA的漏电保护。
插座布线安装
布线安装
不论是家庭装修还是其他场合的电气工程,通常并不仅仅有电源线,还可能有其他电气线路,例如火警防盗、门铃、网线、电话线等。
从电磁原理可知,有电流流过的导体会产生电磁场,相邻的电磁场会相互影响。为避免各线路之间的相互干扰,若条件允许,应尽可能地使不同类别电路的导线之间有一定的间隔。

敷设导线穿管作业时,不要将不同分支电路的导线穿在同一个管道内。
根据被穿导线的根数、线径选择合适大小的PVC管,管内电线的总截面积不应超过管内径截面积的40%,以保证散热。
一般情况下,穿线管都采用PVC电线管。在某些场合,对穿线管有特殊的要求。例如,防火线的穿线管通常要求使用镀锌管,并在管上
刷防火漆。
在家庭装修中,16mm、20mm的线管一般用于室内照明线路,25mm的线管常用于插座或室内主线管。

线管直径小于20mm时,线管的弯曲半径应在线管直径的5倍左右;线管直径大于20mm的,弯曲半径应不小于线管直径的8倍。

当然,也可选用合适的弯头配件。



插座接线
插座接线是很简单的,只要布线正确,加工好合适长度的线头,将火线(L)、零线(N)、保护线(PE)连接到插座面板上相应的接线端即可。



开关与电灯线路
电灯与开关
电灯多种多样,用于家庭与办公室的电灯大致相似。常见的电灯不外乎是白炽灯、日光灯、节能灯、LED灯等。电灯的灯头通常为卡口
式或螺口式的。下图所示的是几个不同的电灯外观图。

在电路图中,你可能会看到下面所示的一些电灯的图形符号:

开关被用来控制电流通道的通、断。
开关多种多样,人们常见的当然是拉线开关、墙壁开关。常用的开关又分单刀单掷、单刀双掷两种,它们的图形符号如下图所示。


相对于办公室的灯,家庭用户对灯的要求千差万别。电工在实际操作中,除根据实际空间满足用户的要求外,还应符合安全规范。

布线所使用的管道、线槽一定要具有阻燃性。

电灯控制电路
开关、若干段导线、电灯有机地连接在一起,即可得到一个完整的电灯电路。下图所示的就是一个简单的电灯电路,其中的开关是一个单刀单掷开关。一根导线连接开关的一端到电源的火线,一根导线则连接开关的另一端与电灯座的其中一个接线端。电灯座的另一个接线端则直接连接到电源的零线。

开关与电灯还可以组成下图所示的串联控制电路、并联控制电路。




前面的图仅用于说明开关对电路的控制,除一些特定的需求外,家庭、办公照明电路很少这样连接。在需要双向控制一盏灯的地方,通常使用两个单刀双掷开关来连接电路,其电路如下图所示。

多盏灯的不同接法


绝大多数情况下,采用灯并联的形式。并联接线不会影响灯的亮度,即使某个灯烧坏(断路)也不会影响其他灯的工作。一般来说,不建议采用串联形式。若采用串联接线,一个灯烧毁就会导致所有灯不工作。串联接线中灯的亮度会受到影响,串接灯个数越多,灯的亮度越暗。

用两只单联开关控制两盏灯、用多只单联开关(见下图虚线)控制多盏灯。

电灯安装
电灯安装涉及布线、灯具安装与接线几个方面。与插座线路的布线不同,电灯线路布线时通常还需要考虑到开关线路,对于新手电工来说,最好先画好相关的电灯与开关线路,明确用多少根电线、多长的电线、电灯与开关安装在什么位置。采用暗敷布线的,若电线需中间接线,则一定要使用接线盒规范接线,以免出现问题时无法检修。如果接线盒或开关盒是金属的且人容易接触到,则一定要做接地连接,如下图所示。



安装灯具时,即使灯具分量很轻,也应使用专门的固定器件,不可以利用电线吊装。



如果所使用的灯泡瓦数比较大,且灯泡被密闭、密闭空间小,应使用耐高温的套管进行电线保护。

电灯电路接线
一灯一开关



一灯两开关



一灯三开关


电灯电路的其他画法



利用接线盒接线


电灯电路扩展


安装注意事项
在具体实施电灯线路安装作业前,应先做好规划,画一个平面图,哪怕是简略地画一画也好。这里所示的就是一个照明平面图。

根据照明平面图考虑电灯线路应如何连接,是否使用接线盒。不妨画个方框图,以厘清思路,例如这里所示的两个方框图。

用一个开关控制多盏电灯的,开关位于进线端,多盏电灯采用并联方式,除非是特殊需求,否则不建议多盏电灯串联。


但不能如此穿管接线。同一负载回路的电线应穿在同一线管内。

其他电灯电路
日光灯电路

吊扇灯电路


霓虹灯电路
霓虹灯是靠充入玻璃管内的低压惰性气体,在高压电场下冷阴极辉光放电而发光。霓虹灯的光色是由充入惰性气体的光谱特性决定
的。例如,霓虹灯管内充入氖气,霓虹灯发红色光;霓虹灯充入氩气及汞,霓虹灯发蓝色、黄色等光。
霓虹灯电路并不复杂,比较特殊的是需要一个升压变压器。根据不同需求,变压器输出的电压可高达5kV(甚至更高)。

钠蒸气灯与水银灯
低压钠蒸气灯主要用于街道、隧道、广场、码头、仓库照明。该灯采用预热式阴极电感镇流器和辉光启动器启动,启动器与灯丝串联装入灯内,与灯成为一体,具有结构紧凑、使用方便、容易启动、系统光效高、能瞬时热启动等优点。选择不同的灯丝阻值,该灯可由8W做到35W左右,具有明显的节能效果。

高压水银灯由发光管、电极、氩气、水银、内外管等组成,在发光管中有两个主电极和辅助电极,并封入氩气和水银等,在外管内封
入氮气,保护发光管及遮挡紫外线。

检查测试
不论什么场所的照明电路,在安装完成后,都不能马上通电使用。应对照明电路进行安装质量检查、安全性检查、试送电、试运行
等操作后,才可交付正式使用。在调试检修中,常常会用到试电笔、万用表、兆欧表等仪表。



需注意的是,刚安装后的电路调试检修与日常的一般故障检修是有比较大的区别的。
对刚安装的照明电路,主要是进行施工质量检查与安全性检查,并通过试送电来检查线路连接是否正确,通过试运行来检查线路是否
能平稳运行。
而日常的一般故障检查主要是检查相关线路是否出现断路、短路,相关的电器是否损坏。
目视法检查
对于明敷布线的,应注意检查布线是否横平竖直,检查线槽或线管的固定是否良好,检查线槽的盖板是否安装良好。
新安装的照明电路,不论是暗敷布线还是明敷布线,如果是标准安装,则电线中是不会有接头的,电线的连接点都在接线盒、开关
盒、插座与灯头盒部位。因此,一般来说不存在断路的情况。如果说有断路的情况,通常应该是某处的接线问题。
无论如何,对于新安装的照明电路应着重检查接线盒、开关、插座、灯头盒等部位的接线安装。



以下情况不允许出现:



一定要检查接地线连接是否良好,检查漏电保护器的规格是否正确。在所有初步检查完成后,一定要通过漏电保护器的测试按钮检查漏电保护器能否正常动作。

连通性检查
多数情况下,可用万用表、兆欧表来进行施工质量检查。万用表主要用于检查线路连接是否良好,兆欧表主要检查电路的绝缘性能是否良好。
如果厨房、卫生间的水管使用的是金属水管,则一定要检查水管接地、等电位连接是否良好,可用万用表的欧姆挡检查,如图所示,万用表的读数应很小。如果厨房、卫生间的水管使用的是金属水管,则须检查水管与电线之间的绝缘性是否良好,可用兆欧表(俗称摇表)检查,如图所示,兆欧表的读数应很大。

将万用表设置在电阻挡的低挡位。用万用表检查电线的连通性有两种方法:

❶在两根导线的起点处用导线连接,或将两个导线的始端连接在一起。用万用表的表笔分别接触两根导线的末端(或电线末端接线
处),根据万用表的读数来判断电线连接是否良好。万用表读数很小(接近0),说明电线连接良好;万用表读数很
大,说明电线连接有问题。
❷可利用导线作万用表表笔的延长线,使万用表的两个表笔分别接触所测电线的始端与末端,根据万用表的读数来判断电线连接是否良
好。

前面方法❶被称为开环电阻法,所测的是单个通道导线端到端的电阻,也可用下面的两个图来进一步说明。


绝缘性检查
虽然如今的生活用电场所通常都使用了漏电保护器,但电路绝缘性的检查还是非常必要的。通过绝缘性检查可排除安全隐患。
一般情况下使用兆欧表来检查绝缘性,若没有兆欧表,也可利用万用表的大电阻挡位来检查。
在检查绝缘性之前,应确保配电箱内的总开关断开,使户内电路与外部断开;户内线路上的开关处于闭合位置,用电器(如电灯、洗
衣机、消毒碗柜等)与电路脱离。





加电检查
加电检查包括试送电、试运行两个方面。试送电主要检查保护装置动作是否可靠,检查是否有电路断路情况,通过试送电还可检查出
不加电检查未发现的问题。
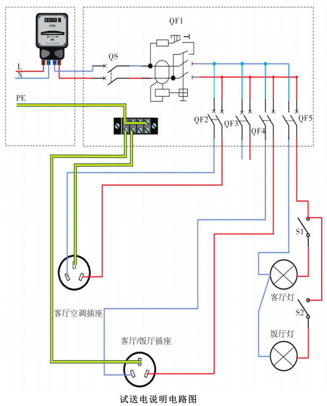
在试送电时应注意:试送电前应先实施不加电检查作业,确保入户配电箱内的开关处于断开位置。试送电时,先合总开关,然后再依
次合分支电路开关。这里以下图所示的电路为例来简单介绍一下试送电的具体操作(由于是新安装线路,可不考虑断路的情况):
❶闭合总开关Q S,观察电表是否转动,若电表转动,则检查保护开关是否处于闭合位置,检查电表接线。
❷闭合带漏电保护装置的保护开关QF1。观察保护开关是否有误动作,若有,则检查保护开关的接线是否正确。

照明电路故障检修
